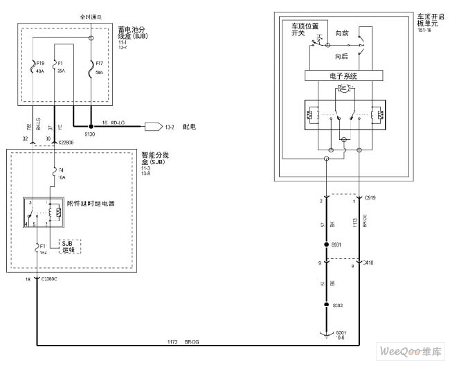
Published:2011/7/15 1:58:00 Author:Fiona | Keyword: roof open board | From:SeekIC

Reprinted Url Of This Article:
http://www.seekic.com/circuit_diagram/Automotive_Circuit/maverick_2005_roof_open_board_circuit.html
Print this Page | Comments | Reading(3)
Code: