Published:2011/7/19 23:42:00 Author:chopper | Keyword: rice, processing machine , controller | From:SeekIC

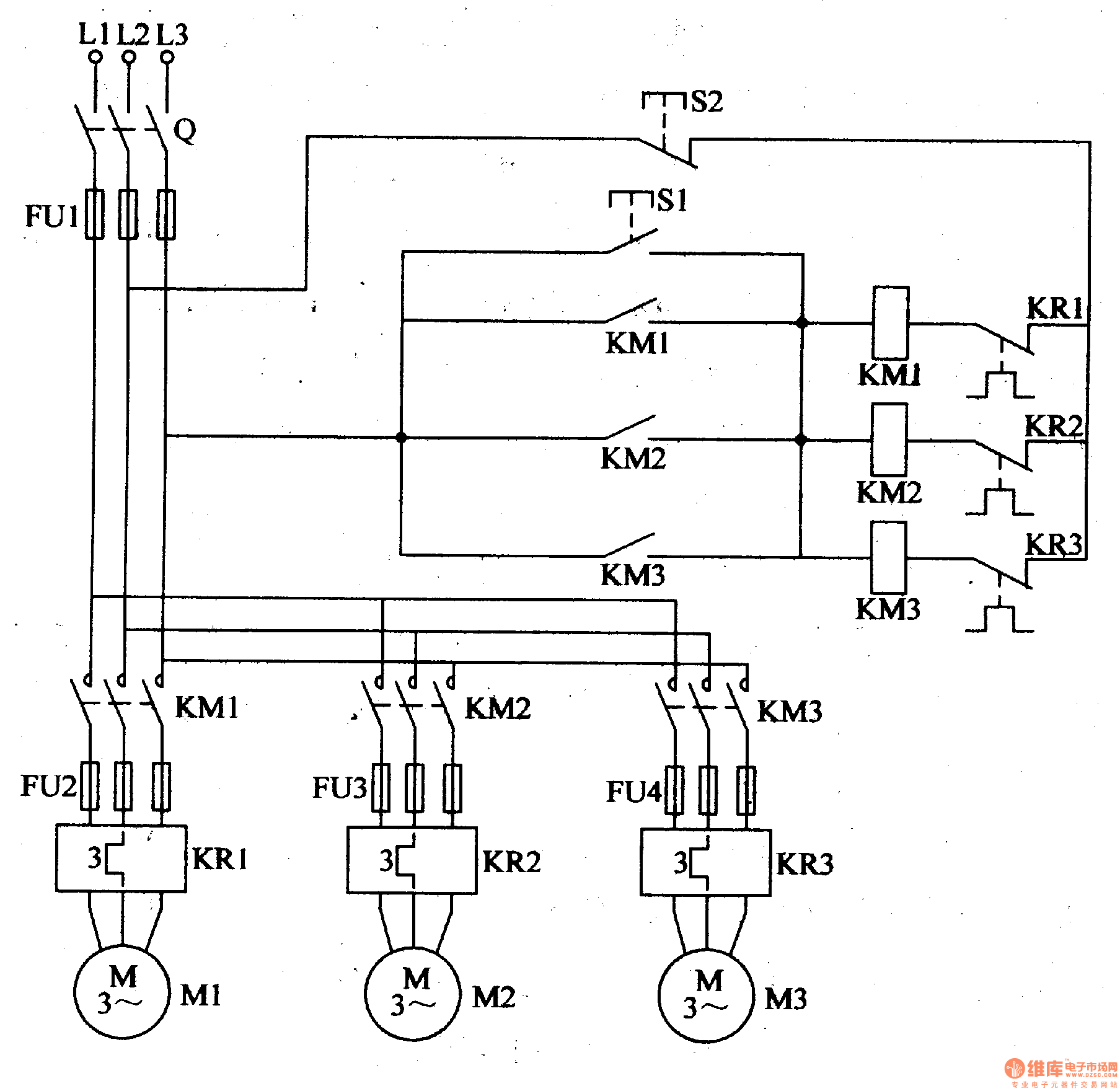
This example describes the rice processing machine controller, which uses the control button to coordinate with the AC contactor,thermal relay and other auto-electrical devices,and it can enable the automatic protection control of electric motor. The principle of circuit This rice processing machine controller circuit is formed by knife switch Q,fuses FU1-FU4, start button S1,stop button S2, AC contactors KM1-KM3 and thermal relays KR1-KR3,which is shown in Figure 4-132.
Reprinted Url Of This Article:
http://www.seekic.com/circuit_diagram/Automotive_Circuit/rice_processing_machine_controller.html
Print this Page | Comments | Reading(3)
Code: