Published:2011/6/6 2:02:00 Author:Ariel Wang | Keyword: electrifying , intermittent, controller | From:SeekIC

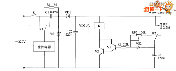
When the mains switch S gets through,AC 220V voltage is reducted by C1.It is regulated by VS1.It is commutated by VD1.And it is filtered by C2.Then it generates about 15V DC working voltage.It provides voltage for relay K .It charges CS by RP1.When the voltage of C3 reaches a certain value.VS2 conducts. V1 and V2 is saturated to conduct. The normally closed contact is disconnected.The controlled appliances(for example ,low power electric heater,electric motor of water pump,oxygen enrichment equipment,scavenger fan and humidifier ect) are conducted to work.C3 discharges base electrode of V1 by RP2 and R2.So V1 and V2 stay conducted.The controlled appliances go on to work.
Reprinted Url Of This Article:
http://www.seekic.com/circuit_diagram/Automotive_Circuit/the_circuit_of_electrifying_intermittent_controller_part_3.html
Print this Page | Comments | Reading(3)
Code: