Published:2011/6/13 7:44:00 Author:Ariel Wang | Keyword: humidity, indicator | From:SeekIC

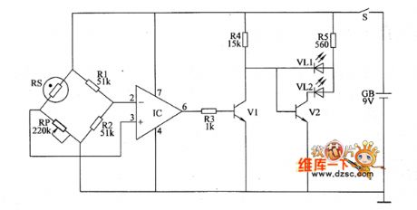
After the mains switch get through,the whole machine is conducted to work.When the humidity of seeding raising shed is at a normal level and the resistence of RS is at a high level,IC outputs low level .It is because the electric potential of the inverting input is higher than it of non-inverting input.VI stops.The red LED VL1 is not lighted.Y2 is conducted.The green LED VL2 is lighted.It indicates the humidity of shed is normal.If the humidity of seeding raising shed is at a high level ,then the resistence of RS is at a low level.When the amount of humidity is beyond the set value,IC outputs high level.It is because the electric potential of the non-inverting input is higher than it of inverting input.VI is conducted.VL2 is not lighted.It indicates the humidity of shed is over the normal amount.It reminds farmers to reduce the amount of humidity in shed by ventilation in time.
Reprinted Url Of This Article:
http://www.seekic.com/circuit_diagram/Automotive_Circuit/the_circuit_of_humidity_indicator.html
Print this Page | Comments | Reading(3)
Code: