Published:2011/6/23 6:54:00 Author:Ariel Wang | Keyword: temperature controller | From:SeekIC

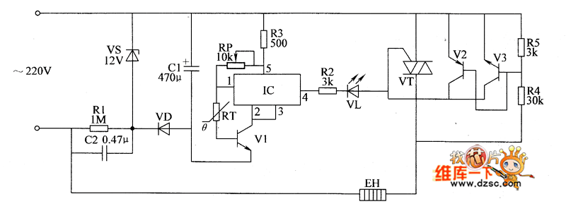
The 220V AC voltage is reduced by C2,regulated by VS,commutated by YD and filtered BY c2.It provides 11.3V DC working voltage for the temperater control circuit.RP is used to set the control temperature value.When the environment temperature in the controlled place is detected lower than the set temperature by RT,the in-circuit of IC works.VT is conducted.The electric heater EH is conducted to work.The resistence of RT becomes lower when the temperature becomes higher.When the controlled temperature becomes the temperature set by RP,the in-circuit of IC stops working.VT is stopped.EH stops heating.When the temperature becomes lower than the set temperature,VT is conducted again.EH is conducted to work.
Reprinted Url Of This Article:
http://www.seekic.com/circuit_diagram/Automotive_Circuit/the_circuit_of_temperature_controller17.html
Print this Page | Comments | Reading(3)
Code: