Published:2011/6/17 8:13:00 Author:Ariel Wang | Keyword: alarm, temperature monitor | From:SeekIC

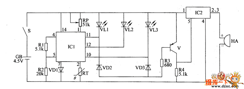
When the mains swith S gets through,battery CB provides 4.5V working power for the circuit of the whole machine.RT is used for detecting environment temperature.The resistence is decreasing when the temperature is increasin.The voltage of IC1's pin-2 is changing while the resistence of RT is changing.RP is used for setting the temperature of the monitor.When the environment temperature is right(within the set temperature) and the electric potential of IC1's pin-2 is between high level and low level.It outputs low level from pin-12.It outputs high level from pin-10 and pin-11.VL2 is lighted.VL1 and VL3 are not lighted.Sound alarming circuit does not work.HA doesn't give a sound.
Reprinted Url Of This Article:
http://www.seekic.com/circuit_diagram/Automotive_Circuit/the_circuit_of_the_alarm_for_temperature_monitor.html
Print this Page | Comments | Reading(3)
Code: