Published:2011/6/28 6:06:00 Author:Ariel Wang | Keyword: animal baby, announcer | From:SeekIC

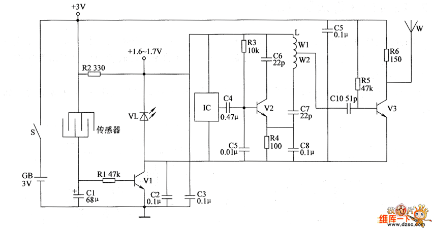
When the animals have babies,the resistence between two crossed electrodes of the comb-like sensor become small.V1 is saturated to conduct.VL is lighted.The +3V voltage is current limited by R2.It is connected with VL and V2 in series.And it is regulated by them.Then it provides IC and the high frequency oscillator (consists of R3,R3,C4~C8,L1 and V2) 1.6~1.7V DC working voltage.IC outputs the acoustics signal.It is modulated by the high frequency oscillator.And it is power amplified by V2.Then it is emitted by antennas W to the sky.The feeder can recieve the alarm signal of having animal babies by FM in a distance.
Reprinted Url Of This Article:
http://www.seekic.com/circuit_diagram/Automotive_Circuit/the_circuit_of_the_animal_littering_announcer_1.html
Print this Page | Comments | Reading(3)
Code: