Published:2011/7/7 6:49:00 Author:Ariel Wang | Keyword: double hresholds, temperature, alertor | From:SeekIC

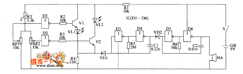
When the temperature is beyond the upper limit of the set temperature,the temperature of RT is decreased.The neutral pointpotential of RP1 is increased.D1 outputs low level.V1 is conducted.VL1 is lighted.It indicates the temperature beyond the upper limit.At the same time,VD1 is stopped.The 1Hz low-frequency oscillator and the 1kHz audiofrequency oscillator start to work.The 1Hz low-frequency oscillator modulates the 1kHz audiofrequency oscillator.HA gives out alam sound every now and then.When the temperature is lower than the lower limit of the set temperature,the resistence of RT is increased.The neutral point potential of RP2 is decreased.D2 outputs high level.1/2 is conducted.VL2 is lighted.It indicates the temperature is lower than the lower limit.At the same time,the 1Hz low-frequency oscillator and the 1kHz audiofrequency oscillator starts to work.HA give out alarm sound.
Reprinted Url Of This Article:
http://www.seekic.com/circuit_diagram/Automotive_Circuit/the_circuit_of_the_double_hresholds_temperature_alertor1.html
Print this Page | Comments | Reading(3)
Code: