Published:2011/6/8 23:22:00 Author:Ariel Wang | Keyword: timing, controller | From:SeekIC

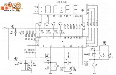
S1 is used to change the time set,the walking state and the timing set of the timing controller.When it's at state of time set,S2 is used to convert and regulate the position of hours and minutes. S3 is used to quicken the time.S4 is used to slow down the time.When to set the timing time,S2 can convert and set the work station of whether work or not at some timing time.At the state of walking,S2 is used to enter or exit the manual state.S3 is used to turn the power of the equipment on.S4 is used to shut down the power of the equipment.
Reprinted Url Of This Article:
http://www.seekic.com/circuit_diagram/Automotive_Circuit/the_circuit_of_the_timing_controller_part_1.html
Print this Page | Comments | Reading(3)
Code: