Published:2011/6/28 8:06:00 Author:Ariel Wang | Keyword: rooster, hen , discriminator( | From:SeekIC

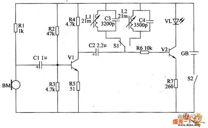
When the mains switch gets through,every circuit of the whole machine is conducted to work.The microphone BM converts the recieved sound signal of the chickling into the electric signal.It is amplified by V2.Then it goes into the selective amplifier which consists of selective circuit and LED drived circuit.Then it is selected and amplified.When S1 is pressed,the 4.8kHz selective circuit works.When S1 isn't pressed,5.2kHz selective circuit works.If VL doesn't lighted when S1 is pressed.Then VL is lighted if S1 is not pressed.It imforms the chickling is hen.
Reprinted Url Of This Article:
http://www.seekic.com/circuit_diagram/Automotive_Circuit/the_circuit_of_whether_rooster_or_hen_discriminator2.html
Print this Page | Comments | Reading(3)
Code: