Published:2011/7/7 6:51:00 Author:Ariel Wang | Keyword: controller, temperature | From:SeekIC

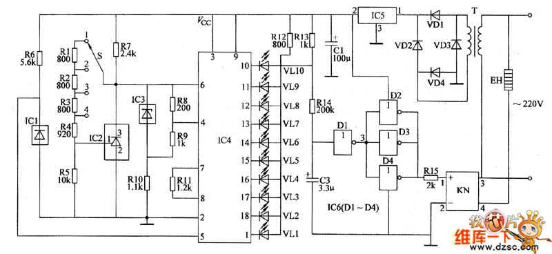
The 220V AC voltage is reduced by T,commutated by VD1~VD4,regulated by IC5,filtered by C1.It provides +9V working voltage for the temperature indicator circuit of LED and the control circuit of the heater.IC1 is the voltage-type positive temperature coefficient integrated temperature sensor.The sensibility is 10mV/℃.The output voltage is 2.73V when it's 0℃.The output voltage is 3.73V when it's 100℃.When the detected temperature changes,the output voltage of IC1 and the input voltage from the pin-5 of IC4 change synchronously. When it's processed by tenth voltage comparator in IC4,the drivers VL1~VL10 give out the light.It indicates the temperature value.
Reprinted Url Of This Article:
http://www.seekic.com/circuit_diagram/Automotive_Circuit/the_controller_circuit_of_the_temperature10.html
Print this Page | Comments | Reading(3)
Code: