Published:2011/9/8 6:15:00 Author:Ariel Wang | Keyword: digital capacitor, testing machine | From:SeekIC

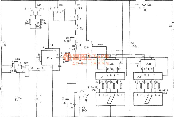
the counting circuit IC3 adopts double BCD addition counter CD4518.IC4 and IC adopt BCD-seven-segment-latch,decoding driver CD4518.LED adopts common cathode LED which matches CD4511.You can adjust the potentiometer W1,W2 to correct the testing machine.In this way,you can get the frequency signals of 9.09kHz and 0.909kHz.You can put the selectorswitch K2 to position 1 .Then the potentiometer W1 is shortcut with resistance R6.You can adjust the potentiometer W2.In this way the output cycle becomes 1.1ms(9.09kHz).Then you can put the selectorswitch K2 to position 2 .You can adjust the potentiometer W1.In this way the output cycle becomes 11ms(0.909kHz).
Reprinted Url Of This Article:
http://www.seekic.com/circuit_diagram/Automotive_Circuit/the_digital_capacitor_testing_machine.html
Print this Page | Comments | Reading(3)
Code: