Published:2011/5/19 19:36:00 Author:John | Keyword: transformer, oscillator | From:SeekIC

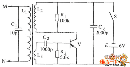
Transformer oscillator circuit is shown below.
Reprinted Url Of This Article:
http://www.seekic.com/circuit_diagram/Automotive_Circuit/transformer_oscillator_circuit.html
Print this Page | Comments | Reading(3)
Code: