Published:2009/7/8 23:35:00 Author:May | From:SeekIC


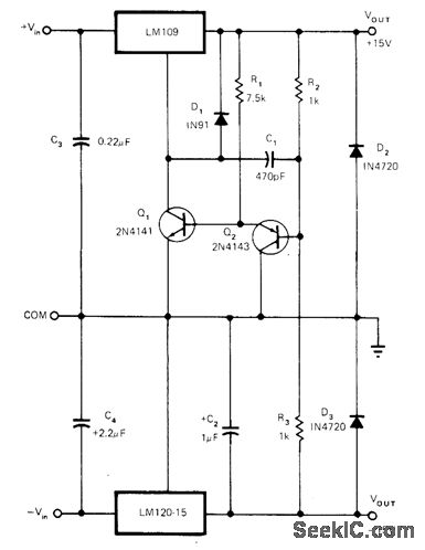
In arrangement shown for National regulator ICs, positive output voltage tracks negative voltage to better than 1%. Ripple rejection is 80 dB for both outputs. Load regulation is 30 mV at 1 A for nega-tive outputand less than 10 mV for positive output. Circuit works well for output in range of 16 to ±15 V. C, provides stability.-C. T. Nel-son, Power Distribution and Regulation Can Be Simple, Cheap and Rugged, EDN Magazine, Feb. 20, 1973, p 52-58.
Reprinted Url Of This Article:
http://www.seekic.com/circuit_diagram/Basic_Circuit/±15_V_WITH_TRACKING.html
Print this Page | Comments | Reading(3)
Code: