Published:2009/7/8 21:39:00 Author:May | From:SeekIC

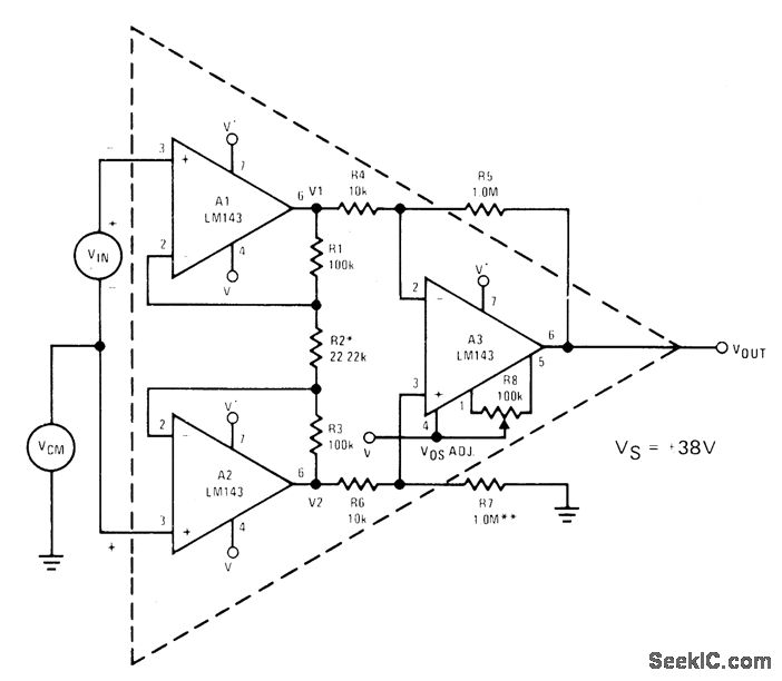
Interconnections shown for three LM143 high-voltage opamps give equivalent of single differentialinput opamp having wide common-mode range, high input impedance, and gain of 1000.Adjust R2 to trim gain. Adjust R7 for best common-mode rejection. With 10 K load, frequency response is down 3 dB at 8.9 kHz.- Linear Applications, Vol, 2, National Semiconductor, 'OUT Santa Clara, CA, 1976, AN-127, p 2-3.
Reprinted Url Of This Article:
http://www.seekic.com/circuit_diagram/Basic_Circuit/±34_V_COMMON_MODE_RANGE.html
Print this Page | Comments | Reading(3)
Code: