Published:2009/7/14 23:04:00 Author:Jessie | From:SeekIC

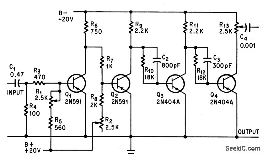
Saturated germanium transistors give variable time delay for 27-V input pulse having 2.75-microsec width, with R2 controlling delay time and R1 controlling output pulse width.-R. H. Blumenthal and F. E. Williams, Transistor's Stored Charge Controls Pulse Delay, Electronics, 37:19, p 52-53.
Reprinted Url Of This Article:
http://www.seekic.com/circuit_diagram/Basic_Circuit/058_TO_465_MICROSEC_DELAY.html
Print this Page | Comments | Reading(3)
Code: