Published:2009/7/14 3:48:00 Author:May | From:SeekIC

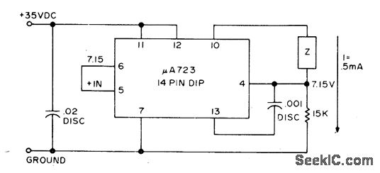
Current source uses Fairchild μA723 voltage regulator operating from ordinary unregulated supply not over 40 VDC. Regulator has built-in 7.15-V reference. Output current is well within 1% of 0.5 mA for load impedances from 0-50k. -L. Nickel, Constant Current Sources, 73 Magazine, March 1974, p29
Reprinted Url Of This Article:
http://www.seekic.com/circuit_diagram/Basic_Circuit/05_mA_FOR_0_50_KILOHMS.html
Print this Page | Comments | Reading(3)
Code: