Published:2009/7/10 21:18:00 Author:May | From:SeekIC

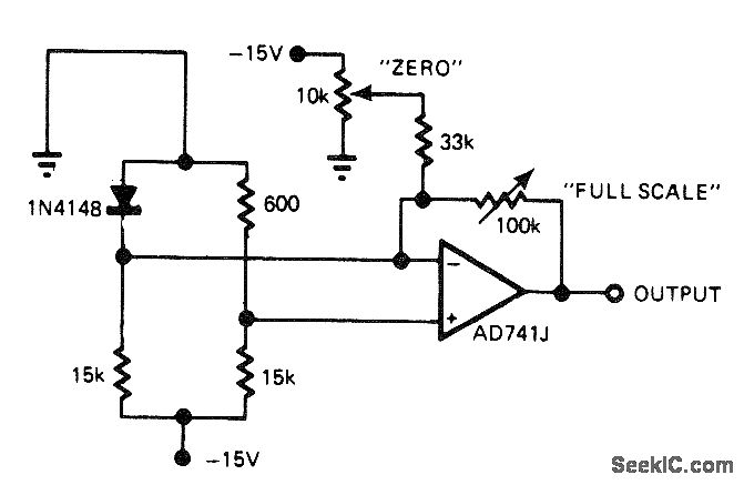
Low-cost diode serves as temperature sensor. To calibrate, place diode in 0℃environment and adjust zero pot for 0-V output, then place diode in 100℃ environment and adjust full-scale pot for 10-V output. Repeat procedure until interaction between adjustments ceases.-J. Williams, Designer's Guide to: Temperature Measurement, EDN Magazine, May 20, 1977, p 71-77.
Reprinted Url Of This Article:
http://www.seekic.com/circuit_diagram/Basic_Circuit/0_10O℃_WITH_1°ACCURACY.html
Print this Page | Comments | Reading(3)
Code: