Published:2009/7/8 23:37:00 Author:May | From:SeekIC



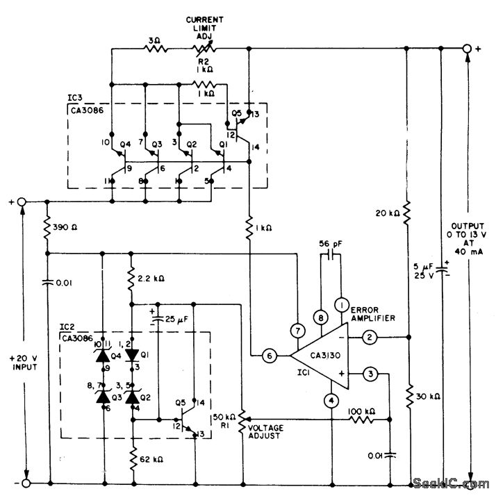
Cornbination of RCA CA3130 opamp and two CA3086 NPN transistor arrays provides better than 0.01% regulation from no Ioad to full Ioad and input regulation of 0.02%/ V. Hum and noise output is less than 25 μV up to 100 kHz.- Linear Integrated Circuits and MOS/FET's, RCA Solid State Division, Somer-ville, NJ, 1977, p 236-243.
Reprinted Url Of This Article:
http://www.seekic.com/circuit_diagram/Basic_Circuit/0_13_V_AT_40_mA.html
Print this Page | Comments | Reading(3)
Code: