Published:2009/7/7 5:05:00 Author:May | From:SeekIC

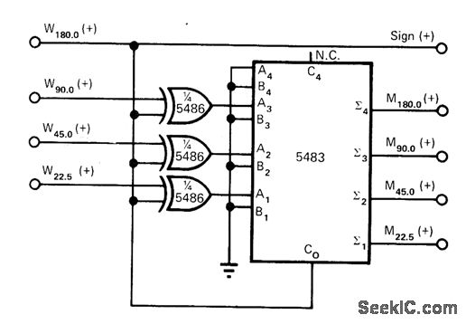
Used for converting angular information in 36O° wrap-around code to ±180°sign-plus-magnitude code. For values under 180°, converter outputs and inputs are identical. For larger input angles, output code is complement of input plus one. Used for interfacing shaft encoders and synchro-to-digital converters to digital display. Article gives truth table showing which lines are high and which are low at input and at output for angular increments of 22.5°.-J. N. Phillips, Convert Wrap-Around Code to Sign-Plus-Magnitude, EDN Magazine, Jan. 5, 1973, p 103.
Reprinted Url Of This Article:
http://www.seekic.com/circuit_diagram/Basic_Circuit/0_360°to_0_180°.html
Print this Page | Comments | Reading(3)
Code: