Published:2009/7/12 23:27:00 Author:May | From:SeekIC

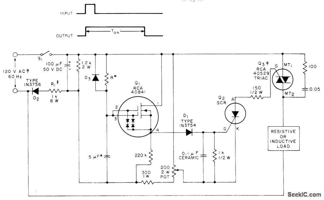
Value of resistor R controls duration of time delay provided by RCA 40841 dual-gate FET in SCR trigger circuit, with SCR in tum serving to triggertriacfor handling highcurrent resistive or inductive AC loads. Maximum delay of 5 min is obtained when R is 60 megohms (IRC type CGH or equivalent resistor). Timing is accurate within 10% over temperature rangeof -25℃to +60℃. D3 should be rated 60 V Use any SCR capable of handling triactrigger current,rated 60 V.- Linear Integrated Circuitsand MOS/FET,s, RCA Solid State Division,Somerville,NJ,1977,p435-437.
Reprinted Url Of This Article:
http://www.seekic.com/circuit_diagram/Basic_Circuit/0_5_min_DELAY.html
Print this Page | Comments | Reading(3)
Code: