Published:2009/7/12 22:43:00 Author:May | From:SeekIC

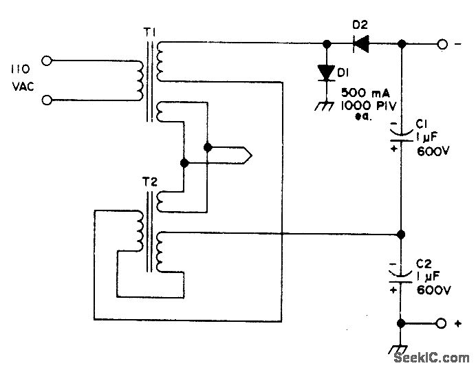
Unique connection of two TV boostertransformers having 125-V secondaries gives high-voltage supply for small monitor scope. T1 is connected conventionally, with its 6.3 V winding going to heater of CRT, 6.3-V winding of T2, also connected to CRT, serves as primary for second transformer. Remaining windings of T2 and high-voltage secondary of T1 are connected in series aiding to give about 367 VAC fordoubling by D1-D2 and C1-C2. Since CRT drain is low, filter charges to very nearly peak voltage of 1027 VDC.-W. P. Tumer,Cheap Power Supply for a CRT, 73 Magazine, March 1974, p 53.
Reprinted Url Of This Article:
http://www.seekic.com/circuit_diagram/Basic_Circuit/1000_V_FOR_CRT.html
Print this Page | Comments | Reading(3)
Code: