Published:2009/7/6 5:23:00 Author:May | From:SeekIC

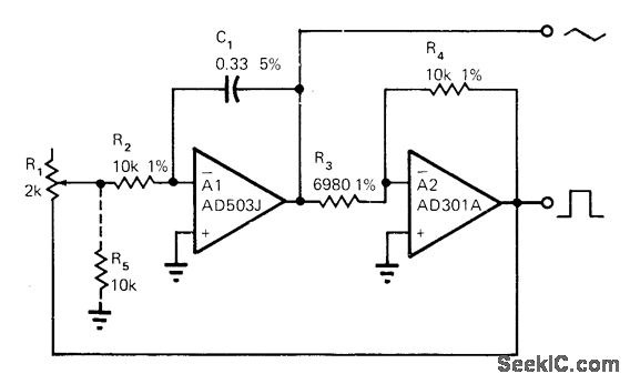
Two-opamp oscillatordelivers ±13 V square waves and ±10V triangle waves simultaneously at 100 Hz for values shown. By scaling R1, R2, and C1, wide range of frequencies can be covered down to o.1z (increase R2 to 10 megohms for frequencies near lower limit). Square-wave rise time is about 1.5 μs and fall time 0.5 μs. Opamp A1 operates as integrator and A2 as Schmitt trigger.-R. S. Burwen, Triangular and Square Wave Generator Has Wide Range, EDN Magazine, Dec. 1, 1972, p 59.
Reprinted Url Of This Article:
http://www.seekic.com/circuit_diagram/Basic_Circuit/100_HZ_SQUARE_TRIANGLE.html
Print this Page | Comments | Reading(3)
Code: