Published:2009/7/2 7:41:00 Author:May | From:SeekIC

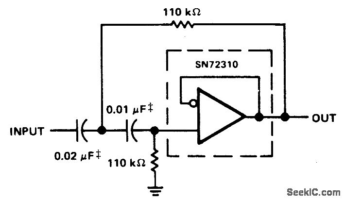
Metallized polycarbonate capacitor are required for good temperature stability in high-pass active filter using voltage-follower opamp. Cutoff frequency is 100 Hz.- The Linear and Interface Circuits Data Book for Design Engineers, Texas instruments, Dallas, TX, 1973, p 4-39.
Reprinted Url Of This Article:
http://www.seekic.com/circuit_diagram/Basic_Circuit/100_Hz_HIGH_PASS.html
Print this Page | Comments | Reading(3)
Code: