Published:2009/7/5 22:38:00 Author:May | From:SeekIC



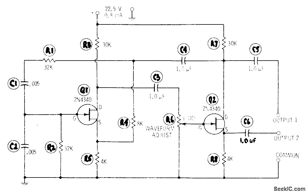
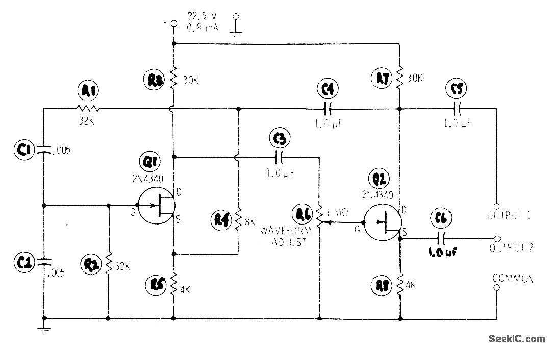
Simple RC-tuned oscillator uses only two resistors (R1 and R2) and two capacitors (C1 and C2) to set frequency.Feedback path covers both FET stages. Set R6 for best sine-wave output. For other audio frequencies, change value of R in ohms and C in farads in equation f = 1 /6.28RC where frequency is in hertz, R = R1 = R2, and C = C1 = C2.-R. P. Turner, FET Circuits, Howard W. Sams, Indianapolis, lN, 1977, 2nd Ed., p 48-50.
Reprinted Url Of This Article:
http://www.seekic.com/circuit_diagram/Basic_Circuit/100_Hz_WIEN_BRIDGE.html
Print this Page | Comments | Reading(3)
Code: