Published:2009/7/6 6:20:00 Author:May | From:SeekIC

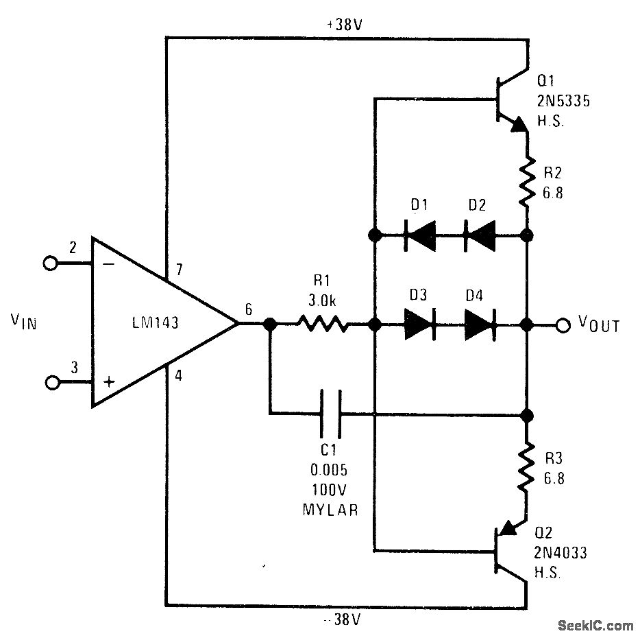
Provides short-circuit protection along with current boosting for LM143 high-voltage opamp. Diodes are 1N914. Use Thermalloy 2230-5 or equivalent heatsinks, with transistors Output is± 33 V P-P into 400-ohm load.-“Linear Applications, Vol. 2,” National Semiconductor, Santa Clara, CA, 1976, AN-127, p 4.
Reprinted Url Of This Article:
http://www.seekic.com/circuit_diagram/Basic_Circuit/100_mA_CURRENT_BOOSTER.html
Print this Page | Comments | Reading(3)
Code: