Published:2009/7/6 2:14:00 Author:May | From:SeekIC

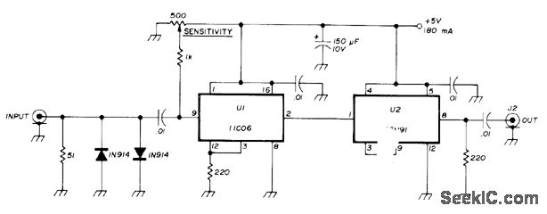
Uses Fairchild 11C06 D flip-flop and Fairchild 95H91 divide-bp 5 counter. Input sensitivity is less than 100 mV from 10 to 500 MHz. Back-to-back diodes protect 11C06 input from overloads. Output is fed to 50-MHz frequency counter. Use regulated supply.-W, C. Ryder, 500-MHz Decade Prescaler, Ham Radio, June 1975, p 32-33.
Reprinted Url Of This Article:
http://www.seekic.com/circuit_diagram/Basic_Circuit/10_1_PRESCALER_FOR_500_MHz.html
Print this Page | Comments | Reading(3)
Code: