Published:2009/7/16 3:48:00 Author:Jessie | From:SeekIC

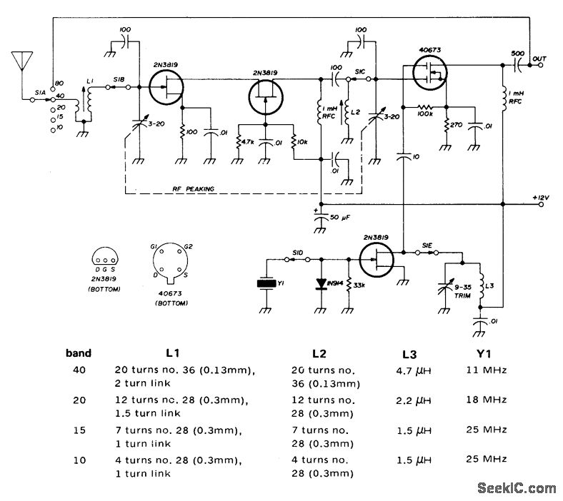
Five-band converter is designed for use with miniaturized communication receiver tuning from 3.5 to 4 MHz Signals for 80-meter band are fed directly to receiver. Two-gang tuning capacitor used to peak converter front end is film-dielectric type taken from transistor FM radio. -R. Megirian, Design Ideas for Miniature Communications Receivers, Ham Radio, April 1976, p 18-25.
Reprinted Url Of This Article:
http://www.seekic.com/circuit_diagram/Basic_Circuit/10_40_METERS_TO_35_4_MHz.html
Print this Page | Comments | Reading(3)
Code: