Published:2009/7/13 21:29:00 Author:May | From:SeekIC

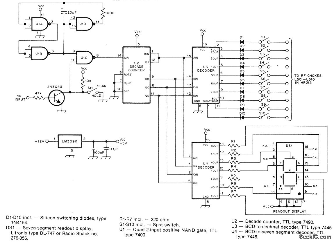
Designed for Regency HR-212 2-meter transceiver but can be adapted for other transceivers,Features include automatic stop, start, and large LED 7-segment readout. Diodes D1-D10 prevent transceiver voltages from reaching scanner circuit. Squelch voltage input of 2N3053 is taken from transceiver. S1-S10 are used to switch out channels not monitored. Wires going to chokes in HR-212 should be connected to choke leads going to channel switch.-A. Little, 10-Channel Scanner for the Regency HR-212, QST, Feb. 1978, p 37.
Reprinted Url Of This Article:
http://www.seekic.com/circuit_diagram/Basic_Circuit/10_CHANNEL_SCANNER.html
Print this Page | Comments | Reading(3)
Code: