Published:2011/5/12 1:43:00 Author:Ecco | Keyword: 10, LED, level , display | From:SeekIC

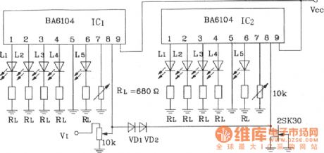
10 LED level display circuit composed of 2 pieces BA6104 5-bit LED level meter driver integrated circuit
10 LED level display circuit composed of 2 pieces BA6104 5-bit LED level meter driver integrated circuitis shown in Figure, regulating Vref of pin 7 in IC1, the L1 ~ L5 will be lit; adjusting the Vref of pin 7 in IC2 will turn on the L1 ~ IC2 L5, the light voltage is 2 times of IC1, luminous order is L1 ~ L5 in IC1, L1 ~ L5 in IC2.
Reprinted Url Of This Article:
http://www.seekic.com/circuit_diagram/Basic_Circuit/10_LED_level_display_circuit_diagram.html
Print this Page | Comments | Reading(3)
Code: