Published:2009/7/2 4:22:00 Author:May | From:SeekIC

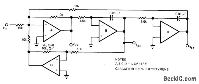
Second-order state-variable filter having center frequency of 10 kHz uses all four sections of opamp Center frequency can be tuned by varying 1.6K feedback resistors or by changing 0.01-μF feedback capacitors. Value of feedback resistor for opamp D determines Q of filter, for adjusting circuit bandwidth or damping. For higher-frequency operation, use high-speed opamps such as OP-15 or OP-16.-D. Van Dalsen, Need an Active Filter? Try These Design Aids, EDN Magazine, Nov.5,1978, p 105-110.
Reprinted Url Of This Article:
http://www.seekic.com/circuit_diagram/Basic_Circuit/10_kHz_VARIABLE_Q.html
Print this Page | Comments | Reading(3)
Code: