Published:2009/7/5 22:04:00 Author:May | From:SeekIC


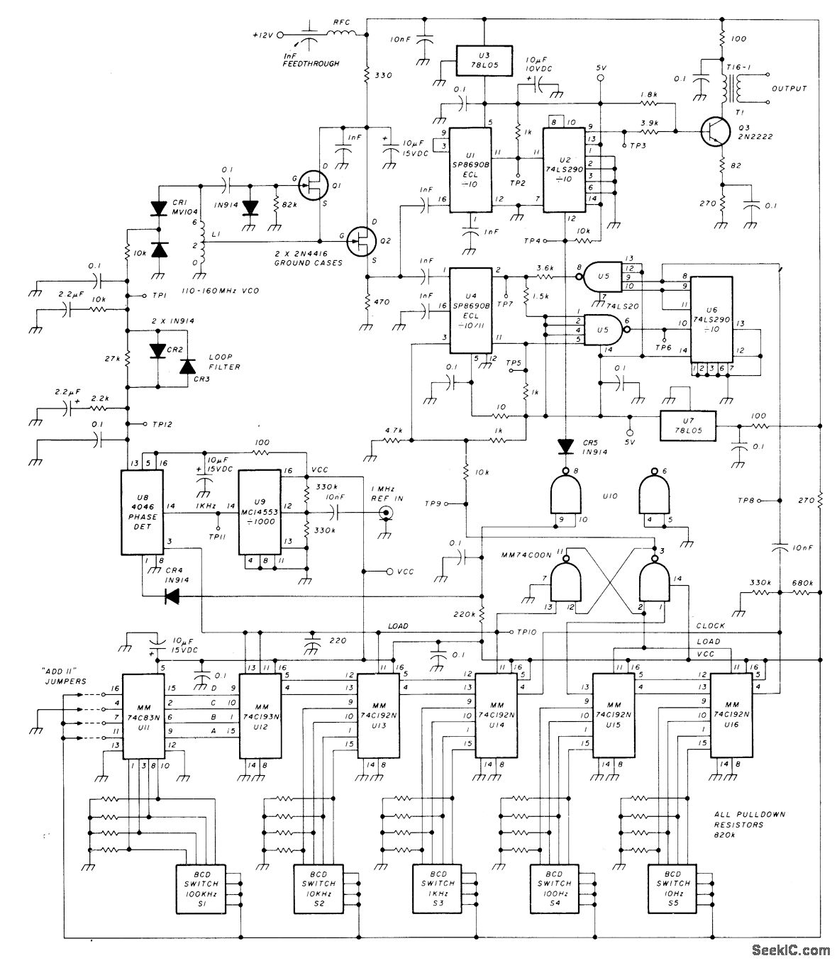
1.1-1.6 MHz IN 10-Hz STEPS-Data input re|quirement is parallel BCD with 10-V CM0S levels and five digits. Reference input is 1-MHz sine or square with at least 1 VP-P. VC0 covers 110-160 MHz in 1-kHz steps, operating in loop haying 1-kHz reference. VCO signal is divided by 100 to give final output in 10-Hz steps. L1 is 6 turns No. 22 on 3-mm form, tapped at 2 turns.RFC is 6 turns No. 28 on F754-1-06 ferrite bead.T1 is Mini-Circuits Lab T16-1 broadband RF transformer.-R. C. Petit, Frequency Synthesized Local-Oscillator System for the High-Frequency Amateur Bands, Ham Radio, Oct. 1978,p 60-65.
Reprinted Url Of This Article:
http://www.seekic.com/circuit_diagram/Basic_Circuit/11_16_MHz_IN_10_Hz_STEPS.html
Print this Page | Comments | Reading(3)
Code: