Published:2009/7/10 21:31:00 Author:May | From:SeekIC

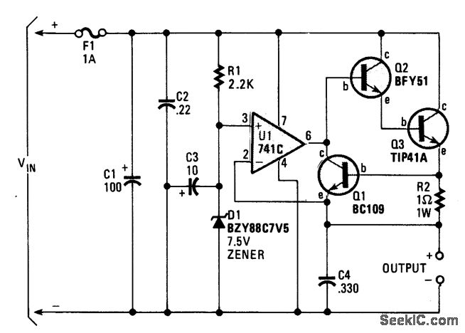
A regulator allows you to power a 7.5-V cassette recorder or other device from a 12-Vdc auto system. About 600 mA is available from the circuit. Q3 should be heatsinked because it dissipates up to 4 W. F1 should be a slow-blow fuse so that the surge caused by C1 does not cause unnecessary fuse failures.
Reprinted Url Of This Article:
http://www.seekic.com/circuit_diagram/Basic_Circuit/12-V_AUTO_POWERED_CIRCUIT_FOR_CASSETTE_RECORDERS.html
Print this Page | Comments | Reading(3)
Code: