Published:2009/6/30 2:04:00 Author:May | From:SeekIC

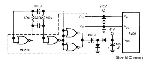
Bipolar inverter and rectifier together provide -11 V from 12-V auto battery for operating high-threshold MOS logic of portable or automotive equipment.Diode types are not critical. Inverter draws only about 1 mA from 12.V battery on standby and supplies 2 mA from -11V terminal.—B. Fette, Inexpensive Inverters Generate VGG for Portable MOS Applications, EDN|EEE Magazine, Dec. 15, 1971,p 51.
Reprinted Url Of This Article:
http://www.seekic.com/circuit_diagram/Basic_Circuit/12V_TO__11_V_WITH_CMOS_IC.html
Print this Page | Comments | Reading(3)
Code: