Published:2009/7/1 2:21:00 Author:May | From:SeekIC

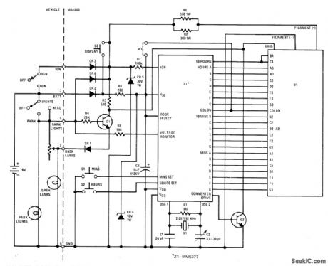
National MA1003 automotive/instrument clock module combines MM5377 MOS LSI clock with 4-digit 0.3-inch green vacuum fluorescent display,2.097-MHz crystal, and discrete components on single printed-circuit board to give complete digital clock. Brightness control logic blanks display when ignition is off, reduces brightness to 33% when parking or headlight lamps are on, and follows dash-lamp dimming control setting.Display has leading- zero blanking. For portable applications, display can be activated by closing display switch momentarily,- MOS/LSI Data-book, National Semiconductor, Santa Clara, CA, 1977, p 13-8-13-10.
Reprinted Url Of This Article:
http://www.seekic.com/circuit_diagram/Basic_Circuit/12_V_AUTO_CLOCK.html
Print this Page | Comments | Reading(3)
Code: