Published:2009/7/10 22:05:00 Author:May | From:SeekIC

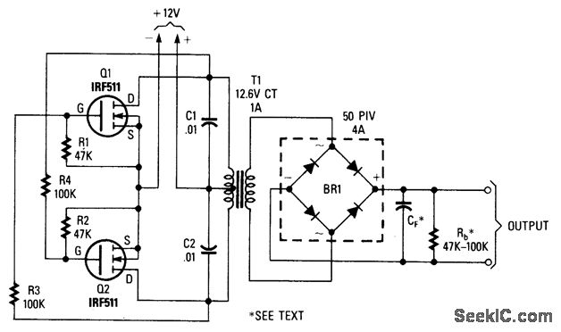
Using two power MOSFETs, this inverter can deliver ac or dc up to several hundred volts. T1 is a 12.6-V CT to 120-, 240-, or 480-V transformer for 60-Hz application.
Reprinted Url Of This Article:
http://www.seekic.com/circuit_diagram/Basic_Circuit/12_V_INPUT_SIMPLE_INVERTER.html
Print this Page | Comments | Reading(3)
Code: