Published:2009/7/10 2:06:00 Author:May | From:SeekIC

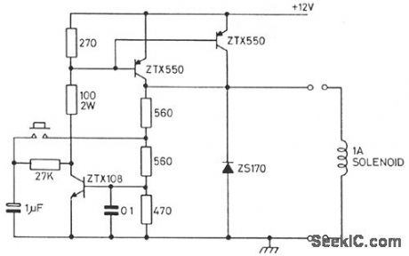
This circuit controls a solenoid by the operation of a single push-button switch. The circuit will supply loads of over 1 A and can be operated up to a maximum speed of once every 0.6 second. When power is first applied to the circuit, the solenoid will always start in its off position. Other features of the circuit are its automatic turn-off, if the load is shorted, and its virtually zero-power consumption when off.
Reprinted Url Of This Article:
http://www.seekic.com/circuit_diagram/Basic_Circuit/12_V_LATCH.html
Print this Page | Comments | Reading(3)
Code: