Published:2009/7/14 23:31:00 Author:Jessie | From:SeekIC

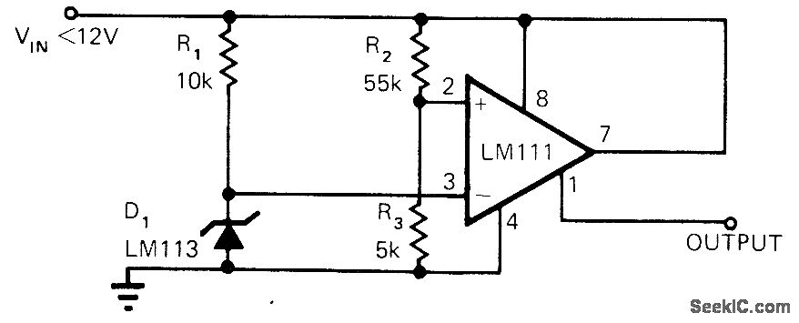
Single LM111 comparator is basis for simple overvoltage protection of circuits drawing less than 50mA. Fraction of input supply is compared to 1.2-V reference. When input exceeds reference level, power is removed from output.-R. C. Dobkin, Comparators Can Do More than Just Compare, EDN Magazine, Nov. 1, 1972, p 34-37.
Reprinted Url Of This Article:
http://www.seekic.com/circuit_diagram/Basic_Circuit/12_V_OVERVOLTAGE_LIMITER.html
Print this Page | Comments | Reading(3)
Code: