Published:2009/6/30 22:49:00 Author:May | From:SeekIC

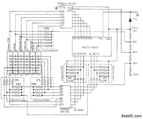
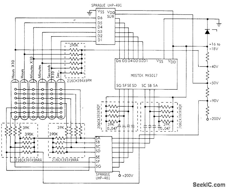
Combination of Mostek clock IC and Sprague high-voltage display drivers, acting through 206C and 216C single in-line resistor network, provides drive for conventional seven-element gas-discharge digital clock display showing hours, minutes, and seconds. Requires -200 V supply. Display can be Burroughs Panaplex, Cherry Plasma-Lux, or Beckman SP series.- Integ rated Circuits Data book-1, Sprague, North Adams, MA 1978, p 3-5.
Reprinted Url Of This Article:
http://www.seekic.com/circuit_diagram/Basic_Circuit/12_h_WITH_SECONDS.html
Print this Page | Comments | Reading(3)
Code: