Published:2009/7/6 0:41:00 Author:May | From:SeekIC

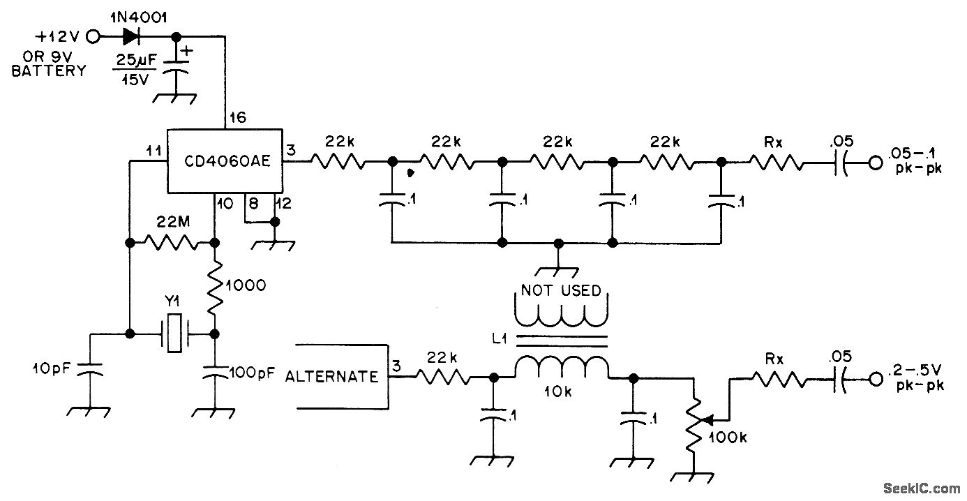
Uses 2.235-MHz crystal with counter chip to produce 136.5-Hz subaudible tone for amateur transmitter. Low-frequency square-wave output of IC is put through multistage low-pass filter to develop sine wave. Tone should be introduced into transmitter just after audio processing (after deviation control). AIternate filter is also shown; use whichever gives best performance, For other tone frequency, use crystal that is 16,384 times frequency desired.-E. Gellender and M. Marcel, P/L Tone Generator, QST, Aug. 1976. p 43.
Reprinted Url Of This Article:
http://www.seekic.com/circuit_diagram/Basic_Circuit/1365_Hz_TONE.html
Print this Page | Comments | Reading(3)
Code: