Published:2009/7/5 23:19:00 Author:May | From:SeekIC

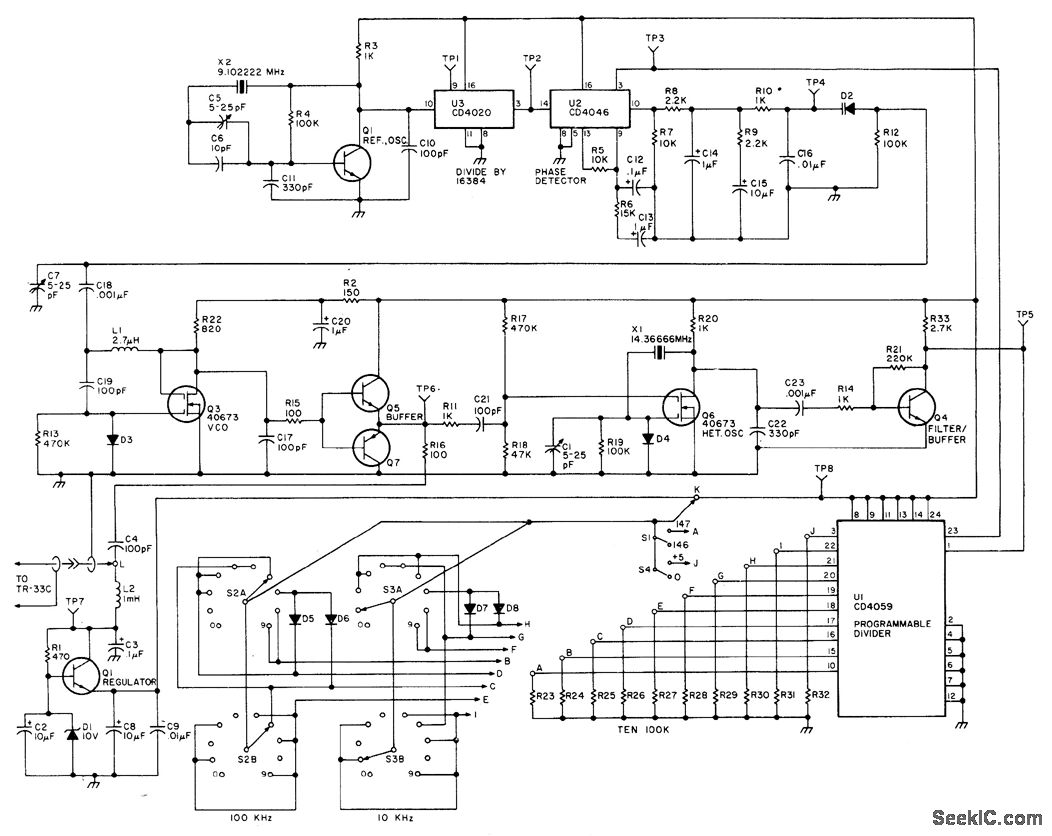
Designed for use with Drake TR-33C transceiver Circuit has built-in offset providing choice of any 5-kHz-spaced channel in frequency range for transmit and receive frequencies. Only two crystals are required. Desired frequency can be entered with BCD thumbwheel switches. Tuneup and testing procedures are given. D1 is 1N5530, D2 is 1N5144, and other diodes can be 1N914 or equivalent. Unmarked bipolar transistors are fast-switching silicon types; NPNs can be 2N2222, and PNPs can be 2N4403.-J. Moell, Super Deluxing the TR-33, 73 Magazine, April 1978, p 72-74.
Reprinted Url Of This Article:
http://www.seekic.com/circuit_diagram/Basic_Circuit/146000_147995_kHz_SYNTHESIZER.html
Print this Page | Comments | Reading(3)
Code: