Published:2009/7/2 4:25:00 Author:May | From:SeekIC

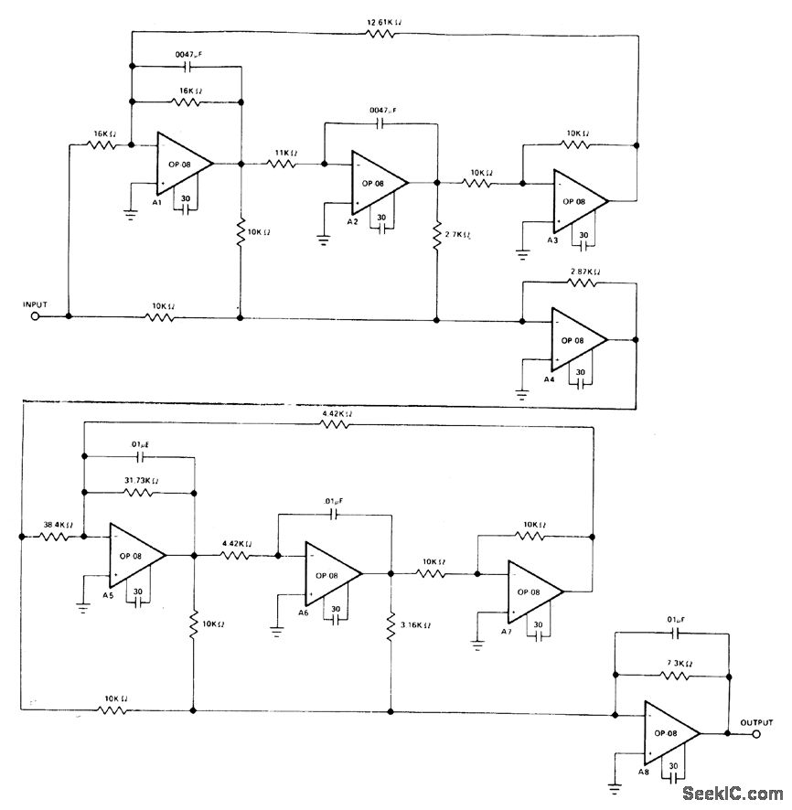
Five-pole telecommunication filter using eight Precision Monolithics op-08 opamps provides better than 30-dB attenuation in stop band.Total supply drain is only 4.8 mA for±15 V supply.- Precision Low Input Current Op Amp, Preoision Monolithics, Santa Clara, CA,1978,OP-08,p 6.
Reprinted Url Of This Article:
http://www.seekic.com/circuit_diagram/Basic_Circuit/15-3500_Hz_BANDPASS.html
Print this Page | Comments | Reading(3)
Code: