Published:2009/7/14 20:38:00 Author:May | From:SeekIC

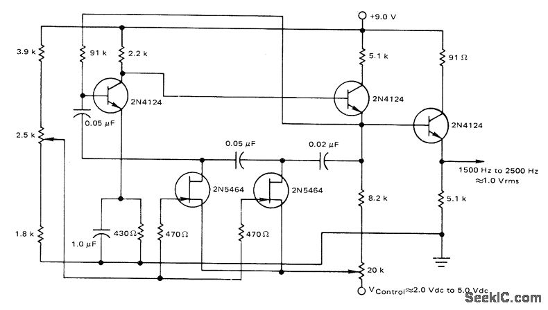
Three-section phase-shift oscillator is linear over its frequency range and has good sine waveform. Phase-shifting 2.5k network is included in feedback loop of amplifier to give voltage-controlled oscillator action.- Low Frequency Applications of Field-Effect Transistors, Motorola, Phoenix, AZ, 1976, AN-511A, p 8.
Reprinted Url Of This Article:
http://www.seekic.com/circuit_diagram/Basic_Circuit/15_25_kHz_SINE_WAVE.html
Print this Page | Comments | Reading(3)
Code: