Published:2009/7/6 0:56:00 Author:May | From:SeekIC

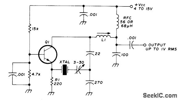
Crystal starting is reliable, and power dissipation of crystal is well below allowable maximum. Q1 is 2N918, 2N3564, 2N5770, BF180, or BF200. L1 resonates at crystal frequency with 22 pF (1μH for 15-30 MHz or 0.5μH for 30-65 MHz). Stability is as good as that of fundamental-frequency oscillator. Set L1 roughly to frequency with no supply voltage by shorting crystal and dipping L1 with grid-dip oscillator. Now apply power and tune L1 close to marked crystal frequency while monitoring output frequency. Remove short and trim to frequency with 3-30 pF trimmer.-R. Harrison, Survey of Crystal Oscillators, Ham Radio, March 1976, p 10-22.
Reprinted Url Of This Article:
http://www.seekic.com/circuit_diagram/Basic_Circuit/15_65_MHz_THIRD_OVERTONE.html
Print this Page | Comments | Reading(3)
Code: