Published:2009/7/13 6:03:00 Author:May | From:SeekIC

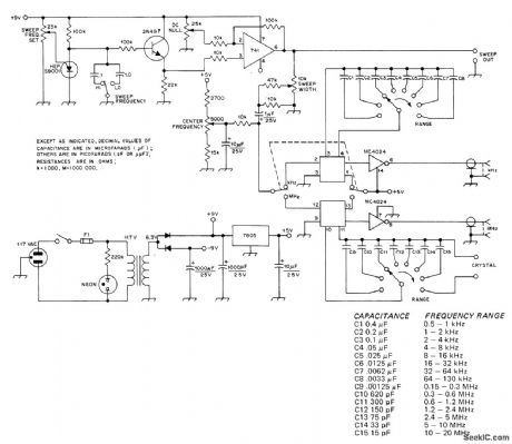
Serves for adjusting tuned circuits, aligning IF strips, and checking filter characteristics. Uses Motorola MC4024 IC containing two separate voltage-controlled MVBRs with output buffer for each. Frequency of oscillation is determined primarily by single switch-selected external capacitor that gives choice of 15 frequency ranges, with frequency within each range varied by applying DC control voltage to one pin of IC. For 3.5-5 V of control voltage, linearity is good. Output waveform is 4 V P-P at lower frequencies, becoming triangular at higher frequency ranges. HEP S9001 programmable UJT generates sweep signal. Switch gives choice of 100 Hz or 1 kHz sweep. Buffer and 741 opamp then give exponential sweep from about -1 to +1 V after DC level is set to 0 by 25K pot, for horizontal input of CRO. Sweep signal is also fed to MVBRs through controls giving independent width and center frequency adjustments. Diodes are 1-A 50-PIY silicon, T1 is 6.3 V at 1 A.-W. C. Smith, An Inexpensive Sweep-Frequency Generator, QST, Oct. 1976, p 17-19.
Reprinted Url Of This Article:
http://www.seekic.com/circuit_diagram/Basic_Circuit/15_RANGE_SWEEP.html
Print this Page | Comments | Reading(3)
Code: