Published:2009/7/13 21:26:00 Author:May | From:SeekIC

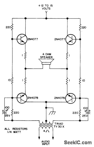
Increases usual 1-W audio output of transceiver to up to 15 W. Loudspeaker can be 8-ohm unit, but output will be somewhat reduced. -P. Bunnell, More Fun with the IC-230, 73 Magazine, May 1975, p 45-46 and 48.
Reprinted Url Of This Article:
http://www.seekic.com/circuit_diagram/Basic_Circuit/15_W_ADD_ON.html
Print this Page | Comments | Reading(3)
Code: