Published:2009/7/1 5:01:00 Author:May | From:SeekIC

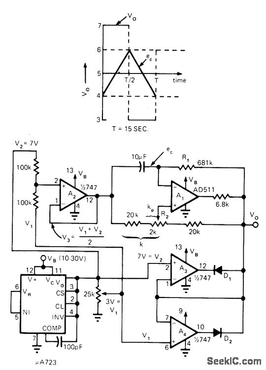
Precision opamp/diode clamp circuit simulating zener reduces cost of astable multivibrator having long time constant and good temperature stability. Circuit operates from single-ended supply, with μA723 providing 7-V referencefor clamp amplifiers A3 and A4. A2 provides oscillator with reference voltage V3 halfway between V1 and V2. R2 allows frequency of oscillator to be adjusted about ±6%. Article gives design equations.-L. Drake. Long Time-Constant Oscillator Uses Precision Clamps, EDN Magazine, Dec. 20, 1974, p 51-52.
Reprinted Url Of This Article:
http://www.seekic.com/circuit_diagram/Basic_Circuit/15_s_ASTABLE.html
Print this Page | Comments | Reading(3)
Code: