Published:2009/7/7 20:46:00 Author:May | From:SeekIC


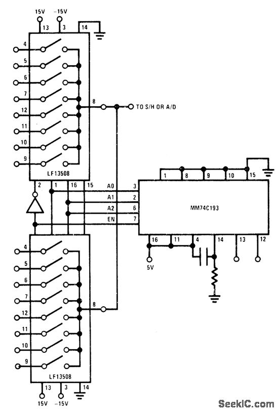
Two National LF13508 eight-channel multiplexors are connected so enable pins are used to disconnect one multiplexer while the other is sampling. Any number of eight-channel multiplexers can be connected in this way if speed is not prime system requirement.- FET Databook, National Semiconductor, Santa Clara, CA, 1977, p 5-79-5-81.
Reprinted Url Of This Article:
http://www.seekic.com/circuit_diagram/Basic_Circuit/16_CHANNEL_SIMPLIFIED_SEQUENTIAL_MUL_TIPLEXING.html
Print this Page | Comments | Reading(3)
Code: