Published:2009/7/20 2:35:00 Author:Jessie | From:SeekIC

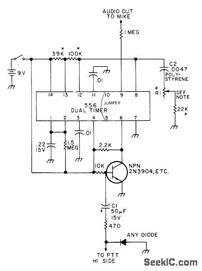
Developed to provide access to repeater requiring accurate tone frequency. Half of 556 dual timer serves as mono MVBR having 0N time of about 400 ms. Other half is free-running oscillator that is disabled when mono goes low. Transistor starts tone burst when push-to-talk switch is closed. For frequency stability, resistors with asterisk should be cermet or wirewound. R1 is 15- or 20-turn trimmer pot having low temperature coefficient and giving about 30 Hz change per turn.-L. Meyer, 0ne IC Tone Burster, 73 Magazine, April 1976, p 55.
Reprinted Url Of This Article:
http://www.seekic.com/circuit_diagram/Basic_Circuit/1800_Hz_TONE_BURST.html
Print this Page | Comments | Reading(3)
Code: