Published:2009/7/2 8:09:00 Author:May | From:SeekIC

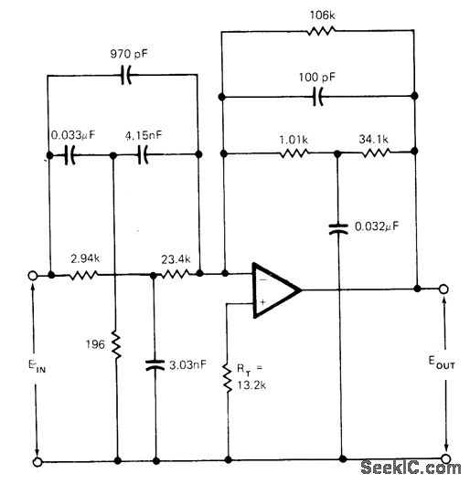
Circuit shown is result of design procedure given in article for active filter that provides frequency emphasis at rate of 18 dB per octave between 5 and 15 kHz, Emphasis does not exceed 40 dB at 20 kHz.Design equations include parameters for closed-loop gain of opamp. Scale factor is applied to input and feedback networks individually after design, to give reasonable eomponent values.-B. Brandstedt, Tailor the Response of Your Active Filters, EDN magazine, March 5, 1973, p 68-72.
Reprinted Url Of This Article:
http://www.seekic.com/circuit_diagram/Basic_Circuit/18_dB_PER_OCTAVE_EMPHASIS.html
Print this Page | Comments | Reading(3)
Code: